797-Э-0 Встроенный электропривод
В заказТУ 28.14.20-006-15365247-2016
Установочное положение встроенного электропривода: непосредственно на бугель арматуры.
Состоит из одноступенчатого червячного редуктора, электродвигателя, узла блокировки ручного управления, коробки концевых и путевых выключателей.
Климатическое исполнение: У, Т по ГОСТ 15150-69.
Категория размещения: 3 по ГОСТ 15150-69.
| L, мм: | 1345 |
| L1, мм: | 542 |
| d, мм: | 140 |
| D, мм: | 280 |
| l, мм: | 40 |
| Применим к типу арматуры | Максимальный крутящий момент на вых. валу эл. прив. при ПВ=15%, Н•м | Номинальный крутящий момент на вых. валу эл. прив. при ПВ=25%, Н•м | Частота вращения, об./мин. | L2, мм | l1, мм | b, мм | d+t, мм | H1, мм | Масса с эл.прив., кг |
| запорной | 4000 | 0 | 39,9 | - | 150 | 18 | 144,4 | 692 | 417 |
| DN - номинальный диаметр; мм PN - номинальное давление; кгс/см2 Pp - рабочее давление; МПа |
F - площадь седла; см2 h - ход арматуры; мм Kv - пропускная способность; м3/ч |
| Tmax- максимальная расчётная температура; °C μ - коэффициент расхода для жидкости ζ - коэффициент сопротивления |
Mкр.-крутящий момент на шпинделе; Н*м t - время срабатывания; с |
Встроенные электроприводы серий: 825, 876, 854, 792, 793, 794, 795, 797, 768, 798 предназначены для управления запорной и регулирующей арматурой ТЭС.
Электроприводы позволяют осуществлять:
• Закрытие, открытие, остановку в любом промежуточном положении запорного устройства арматуры со щита управления и в ручном режиме.
• Автоматическое отключение электродвигателя:
- при достижении запорным или регулирующим устройством заданных граничных положений,
- в крайних положениях и промежуточном положении в момент хода запорного элемента при достижении крутящего момента на приводном валу выше заданного,
• Местное и дистанционное указание положения запорного устройства.
• Электрическую блокировку электродвигателя при ручном управлении арматурой.
• Дистанционную сигнализацию.
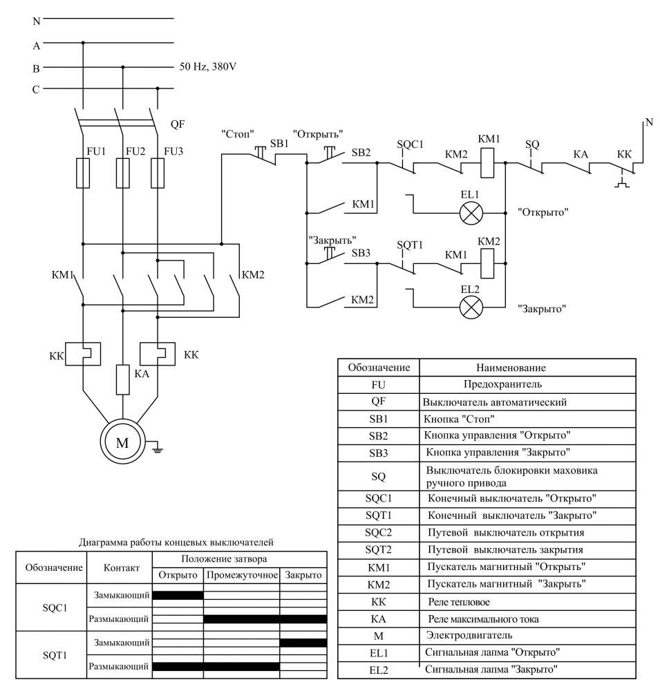
Управление электроприводами осуществляется согласно электрическим схемам.
При управлении в ручном режиме закрытие арматуры осуществляется посредством вращения маховика вправо, открытие арматуры - вращением маховика влево. Передача движения происходит через червячную передачу при помощи валика.
Электроприводы для запорной арматуры рассчитаны на работу в кратковременном режиме, количество пусков в час не более 6 с продолжительностью включений (ПВ) не более 15%. Отключение электроприводв происходит при полном закрытии/открытии запорной арматуры, т.е. при срабатывании реле максимального тока.
Электроприводы для регулирующей арматуры рассчитаны на работу в повторно-кратковременном реверсивном режиме работы с числом включений до 320 в час и продолжительностью включений (ПВ) до 25% при нагрузке на выходном валу, равной номинальной, при этом электроприводы должны допускать работу в течение 1 часа в повторно-кратковременном реверсивном режиме с числом включений до 630 в час и ПВ до 25% со следующим повторением не более чем через 3 часа.
Условия эксплуатации в закрытых помещениях при следующих условиях:
• Температура окружающей среды: до 40 °С.
• Воздушная среда: невзрывоопасная.
• Высота над уровнем моря: до 1000 м.
• Относительная влажность:
- не более 80% при 20 °С;
- не более 50% при 40 °С.
Для получения данных о положении рабочего устройства:
— Запорная арматура комплектуется концевыми выключателями
ВКО-31, ВКО-32, ВКО-35.
— Регулирующая арматура комплектуется механизмами сигнализации положения МСП-1-1, МСП-1-2 и МСП-1-3.
Выбор устройства осуществляется в зависимости от числа оборотов втулки шпинделя, необходимого для перемещения запорного или регулирующего органа из одного крайнего положения в другое.
Выбор исполнения ВКО и МСП производится по таблице:

